| Sign In | Join Free | My fnxradio.com |
|
Place of Origin : China
Brand Name : Liocrebif
Certification : GJB 9001C-2017
Price : 5000-25000CHY
MOQ : 1
Packaging Details : Wooden box/Cardboard box/Container
Delivery Time : 2-4 weeks
Payment Terms : T/T
Supply Ability : 10000
Model Number : LKF-MSU204
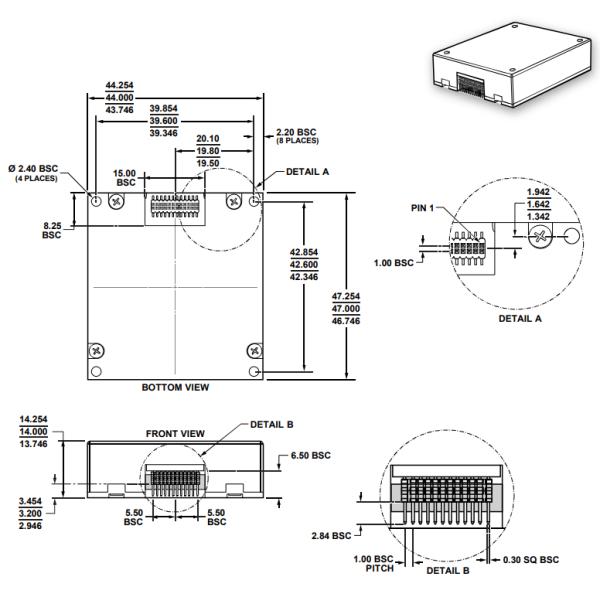
Dimensions : 4.7*4.4*1.4cm
Color&Classification : LKF-MSU204
Brand : Liocrebif
Output format : RS422
Application : Anti-vibration and attitude control of industrial equipment, Automatic control, Robot control, Pan-tilt l stabilization and control, Instrumentation
Original Place : China
Autonomous Sensor System
LKF-MSU204 is an autonomous sensor system. When there is an effective power supply, it will start automatically. After completing the initialization process, it starts sampling, processing and loading the calibrated sensor data into the output register, which can be accessed through the SPI port. SPI port is usually connected to compatible port of embedded processor.Table1 MSU204 Main Parameters
| Parameter | Conditions | MIN | TYP | MAX | Unit | |
| Gyroscope | Range |
| -450 |
| +450 | °/s |
| Bias instability | Allan variance |
| 0.8 | 1 | °/h | |
| Bias stability | 10s smoothing |
| 3 | 5 | °/h | |
| Bias repeatability | Constant temperature |
| 3 | 5 | °/h | |
| Scale factor nonlinearity |
|
| 25 | 50 | ppm | |
| RAW |
|
| 0.1 | 0.2 | °/√h | |
| g-Dependent Term |
|
| 10 |
| °/h/g | |
| Cross-coupling |
|
| 0.001 |
| Rad | |
| Scale factor error |
|
| 0.1 |
| %FS | |
| bandwidths |
| 200 |
|
| Hz | |
| Accelerometer | range |
| -16 |
| +16 | g |
| Bias instability | Allan variance |
| 0.02 | 0.03 | mg | |
| Bias stability | 10s smoothing |
| 0.05 | 0.1 | mg | |
| Bias repeatability | Constant temperature |
| 0.05 | 0.1 | mg | |
| VRW |
|
| 0.02 | 0.03 | m/s/√h | |
| Scale factor nonlinearity |
|
| 3000 | 5000 | ppm | |
| Cross-coupling |
|
| 0.001 |
| Rad | |
| Bandwidth |
| 200 |
|
| Hz | |
| Magnetometer | Range |
| -8 |
| +8 | Gs |
| Resolution |
|
| 200 |
| μGs | |
| Noise intensity |
|
| 50 |
| μGs | |
| Bandwidth |
|
| 200 |
| Hz | |
| Barometers | Range |
| 300 |
| 1100 | mbar |
| Total error |
|
| 4.5 |
| mbar | |
| Absolute error |
|
| 1.5 |
| mbar | |
| Nonlinearity |
|
| 0.1 |
| %FS | |
| Resolution |
|
| 0.1 |
| mbar | |
| Interface | SPI |
|
|
| 10 | MHz |
| UART |
| 9.6 | 460.8 | 921.6 | kbps | |
| Electrical Characteristics | Operating voltage |
| 3.0 | 3.3 | 3.6 | V |
| Power consumption |
|
| 0.5 |
| W | |
| Ripples | peak-to-peak ratio |
|
| 100 | mV | |
| Structural Properties | Size |
| 47.0 × 44.0 × 14.0 | mm | ||
| Weight |
|
|
| 50 | g | |
| Working Environment | Operating temperature |
| -40 |
| 85 | ℃ |
| Storage temperature |
| -55 |
| 85 | ℃ | |
| Vibration |
| 10-2000Hz, 6.06g | ||||
| Shock |
| 30g, 11ms | ||||
| Overloaded | half-sine wave | 1000g | ||||
| Dependability | MTBF |
|
| 20000 |
| h |
| Continuous working time |
|
| 120 |
| h | |
Table2 MSU204 Inertial Measurement Unit Connector External Pin Definitions
| PIN | Name | Type | Descriptions |
| 10, 11, 12 | VDD | Power Supply |
|
| 13, 14, 15 | GND | Power Ground |
|
| 7 | DIO1 | Input/Output | General purpose IO, configurable |
| 9 | DIO2 | Input/Output | |
| 1 | DIO3 | Input/Output | |
| 2 | DIO4 | Input/Output | |
| 3 | SPI-CLK | Input | SPI master-slave mode is not configurable |
| 4 | SPI-MISO | Output | |
| 5 | SPI-MOSI | Input | |
| 6 | SPI-CS | Input | |
| 16 | UART-0-TXD | Output | UART0, for debugging only. |
| 17 | UART-0-RXD | Input | |
| 8 | RST | Input | Reset |
| 23 | VDD RTC | Power Supply | Unused |
| 22, 24, 18, 19, 20, 21 | NC | Reservation | Unconnected |
Main Features
Triaxial digital gyroscope, range ±450°/s
Triaxial digital accelerometer, range ±16g
Digital barometric sensor, range 300mbar~1200mbar
-40°C to +85°C full temperature calibration compensation (gyroscopes and accelerometers)
SPI compatible
Built-in temperature sensor
Small size and light weight
Compatible with ADIS16488A
Applications
Anti-vibration and attitude control of industrial equipment
Automatic control
Robot control
Pan-tilt l stabilization and control
Instrumentation
Figure 1 Dimension

Figure 2 Pin Definition


|
|
MEMS Inertial Sense Imu Micro Inertial Measurement Unit Autonomous High Overload Resistance Images |